Zamówienia są zwykle dostarczane do Polski w ciągu 3 dni, zależnie od lokalizacji.
Bezpłatna dostawa do Polski w przypadku zamówień od 200 zł wzwyż. Koszt dostawy zamówień o wartości poniżej 200 zł wynosi 80 zł.
Fracht UPS płatny z góry: DDP (cło opłacone przez DigiKey)
Fracht FedEx lub DHL płatny z góry: CPT (cło i podatek VAT do uiszczenia przy dostawie)
Konto kredytowe dla kwalifikujących się instytucji i firm
Płatność z góry przelewem elektronicznym
![]()
![]()
![]()
![]()


Więcej produktów od w pełni autoryzowanych partnerów
Średni czas wysyłki 1-3 dni. Mogą obowiązywać dodatkowe opłaty transportowe. Rzeczywisty termin wysyłki można sprawdzić na stronie produktu, w koszyku i podczas finalizacji zamówienia.
Warunki Incoterms: CPT (opłaty celne, cła oraz VAT należne w momencie dostawy)
Więcej informacji można znaleźć w części Pomoc i wsparcie
The EVALMASTERGAN1 is an advanced power system-in-package integrating a gate driver and two enhancement mode GaN transistors in half‑bridge configuration. The integrated power GaNs have RDS(ON) of 150 mΩ and 650 V drain‑source breakdown voltage, while the high side of the embedded gate driver can be easily supplied by the integrated bootstrap diode.
The LMG1210EVM-012 is a small, easy-to-use power stage with an external PWM signal (or HI and LI). The board can be configured as a buck converter, boost converter or other converter topology using a half bridge.
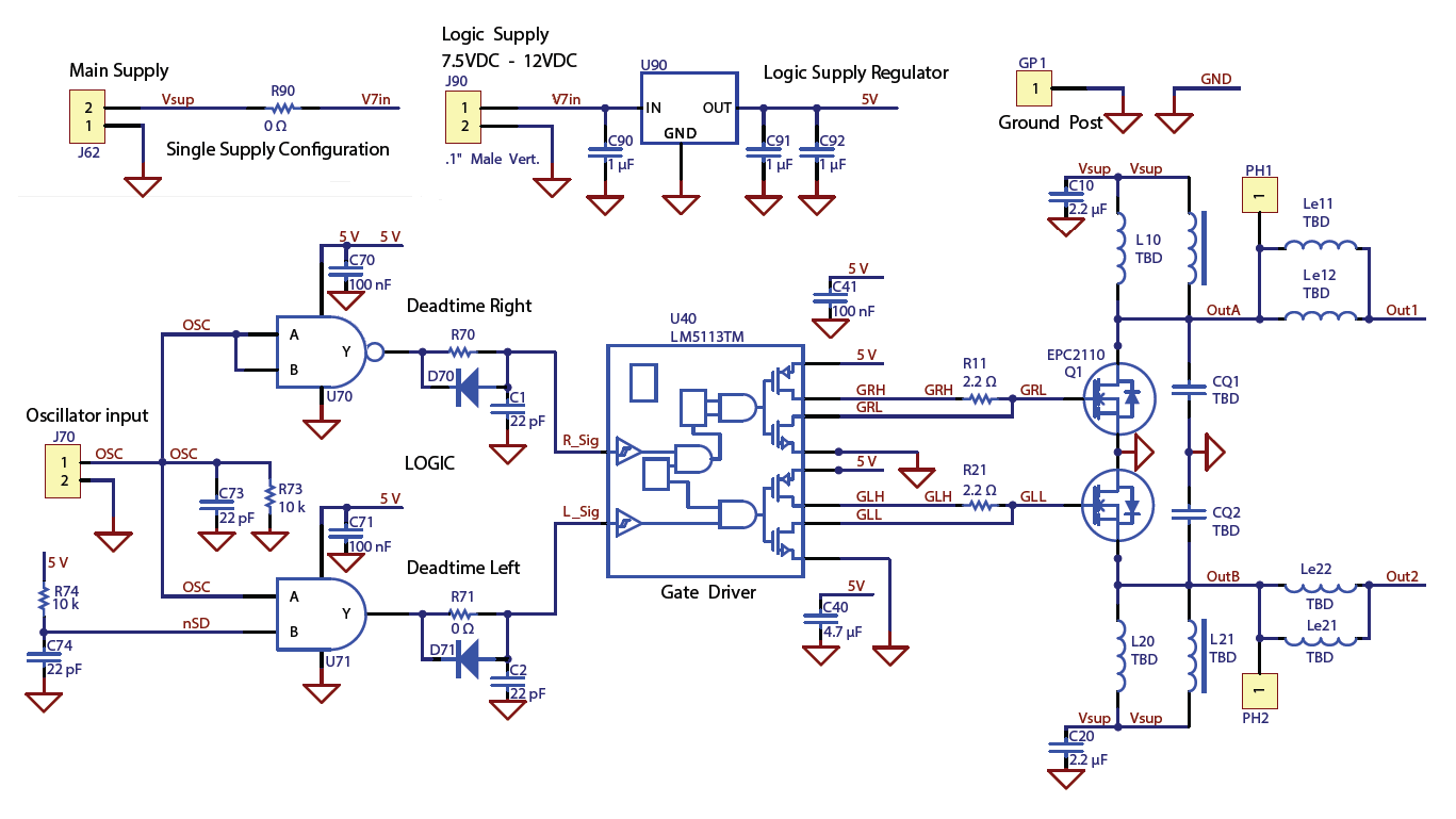
The TIDA-01634 reference design implements a multi-MHz power stage design based on the LMG1210 half-bridge GaN driver and GaN power HEMTs. With highly efficient switches and flexible dead-time adjustment, this design can significantly improve power density while achieving good efficiency as well as wide control bandwidth.
The EPC9048C is a half bridge development board with onboard gate driver, featuring the 200V, 15A rated EPC2034C GaN field effect transistor (FET).
The TDHBG1200DC100 1.2 kW half-bridge evaluation board provides the elements of a simple buck or boost converter for basic study of switching characteristics and efficiency achievable with GaN FETs.
This development board is in a half bridge topology with onboard gate drives, featuring theEPC2035/36 eGaN® field effect transistors
The EPC9051 is a high efficiency, differential mode class-E amplifier demonstration board that can operate up to 15 MHz. This board may also be used for applications where a low side switch is utilized. Examples include, and are not limited to, push-pull converters, current-mode Class D amplifiers, common source bi-directional switch, and generic high voltage narrow pulse width applications such as LiDAR.
This development board is in a half bridge topology with onboard gate drives, featuring the EPC2035/36 eGaN® field effect transistors
The EPC9057 development board is a 80 V maximum device voltage, 6 A maximum output current, half bridge with onboard gate drives, featuring the EPC2039 (EPC2214 is the recommended replacement, 10A) enhancement mode (eGaN®) FET.
The EPC9058 is a high efficiency, differential mode Class-E amplifier development board that can operate up to 15 MHz, including 6.78 MHz which is popular for wireless power. However, this board is not preconfigured for any particular frequency. The purpose of this development board is to simplify the evaluation process of class-E amplifier technology using eGaN FETs by allowing engineers to easily mount all the critical class-E components on a single board.
Wspólne przeglądanie
By using the Co-Browse feature, you are agreeing to allow a support representative from DigiKey to view your browser remotely. When the Co-Browse window opens, give the session ID that is located in the toolbar to the representative.
DigiKey respects your right to privacy. For more information please see our Privacy Notice and Cookie Notice.
Tak, przejdź do wspólnego przeglądaniaUzyskaj szybkie i dokładne odpowiedzi od techników DigiKey i doświadczonych inżynierów na naszym TechForum.
Aby uzyskać informacje dotyczące zamawiania, wysyłki, dostaw i innych tematów, odwiedź sekcję „Pomoc i wsparcie” w naszej witrynie internetowej.
Zarejestrowani użytkownicy mogą śledzić swoje zamówienia w rozwijanym menu swojego konta lub klikając tutaj. *Aktualizacja statusu zamówienia może potrwać 12 godzin od jego pierwszego złożenia.
Użytkownicy mogą rozpocząć proces zwrotu przechodząc na naszą stronę zwrotów.
Zarejestrowani użytkownicy mogą tworzyć wyceny przy użyciu narzędzia myLists.
Przejdź na stronę rejestracyjną i wprowadź wymagane informacje. Po ukończeniu rejestracji otrzymasz wiadomość e-mail zawierającą potwierdzenie.
Zamówienia są zwykle dostarczane do Polski w ciągu 3 dni, zależnie od lokalizacji.
Bezpłatna dostawa do Polski w przypadku zamówień od 200 zł wzwyż. Koszt dostawy zamówień o wartości poniżej 200 zł wynosi 80 zł.
Fracht UPS płatny z góry: DDP (cło opłacone przez DigiKey)
Fracht FedEx lub DHL płatny z góry: CPT (cło i podatek VAT do uiszczenia przy dostawie)
Konto kredytowe dla kwalifikujących się instytucji i firm
Płatność z góry przelewem elektronicznym
![]()
![]()
![]()
![]()


Więcej produktów od w pełni autoryzowanych partnerów
Średni czas wysyłki 1-3 dni. Mogą obowiązywać dodatkowe opłaty transportowe. Rzeczywisty termin wysyłki można sprawdzić na stronie produktu, w koszyku i podczas finalizacji zamówienia.
Warunki Incoterms: CPT (opłaty celne, cła oraz VAT należne w momencie dostawy)
Więcej informacji można znaleźć w części Pomoc i wsparcie
Dziękujemy!
Sprawdzaj swoją skrzynkę pocztową. Znajdziesz tam wiadomości i aktualizacje związane z firmą DigiKey!
Wprowadź adres e-mail